1. 钛金内胆

    四层钛金护胆,寿命大幅延长

  2. 断电闸安全卫士

    自动断电保护,洗浴安心无忧

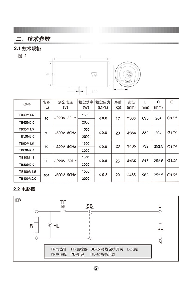
型号 实力派TB10
产热水能力(△t=25℃)
排气方式
适用水压(Mpa)
最低启动水压(Mpa)
燃气种类
燃气管尺寸
进出水管尺寸
能效等级 2级
电加热功率(W)
重量(kg) 17/20/23/25/29

外形尺寸(高x宽x深)(mm)